Yamaha YZ80W Cylinder Head Parts Manual PDF Digital Download

$6.99

Official 45-page Yamaha YZ80W cylinder head parts manual with exploded diagrams and part numbers. Essential for engine rebuilds and maintenance. Instant PDF download.

Category:

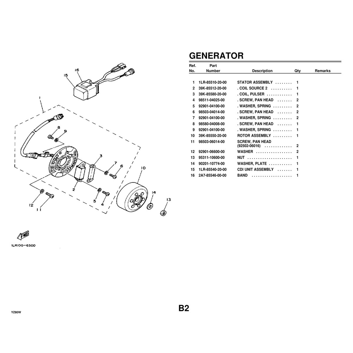
This comprehensive 45-page cylinder head parts manual covers the Yamaha YZ80W motorcycle, providing detailed parts diagrams, part numbers, and assembly information specifically for the cylinder head components. This essential technical document is invaluable for anyone working on the engine’s top end.

The manual contains exploded view diagrams, complete parts lists with official Yamaha part numbers, torque specifications, and assembly sequences for all cylinder head components including valves, camshafts, springs, seals, and gaskets. This level of detail is crucial for proper maintenance, rebuilds, and parts ordering, ensuring you get the exact components needed for your YZ80W’s cylinder head assembly.

This parts manual is perfect for motorcycle mechanics working on vintage Yamaha dirt bikes, YZ80W owners performing their own maintenance and repairs, motorcycle restorers rebuilding classic two-stroke engines, parts suppliers needing accurate part numbers for inventory, and motorcycle repair shops servicing older Yamaha motorcycles. Collectors and enthusiasts will also appreciate having the complete technical documentation for their vintage YZ80W.

Delivered as a high-quality digital PDF file for instant download after purchase. View and print on any computer, tablet, or smartphone. No waiting for shipping – get the information you need immediately to keep your project moving forward.

What You Will Receive:

  • 1 PDF file – Yamaha YZ80W Cylinder Head Parts Manual
  • 45 pages of detailed parts diagrams and specifications
  • Instant digital download after purchase
  • High-resolution scans optimized for printing

Features:

  • Complete cylinder head exploded view diagrams with part callouts
  • Official Yamaha part numbers for all cylinder head components
  • Valve train assembly diagrams and specifications
  • Camshaft and timing component part numbers
  • Gasket and seal identification with proper part numbers
  • Assembly torque specifications and procedures

Important Notes:

  • Digital download only – no physical item will be shipped
  • Vintage documents may contain minor scan imperfections
  • Compatible with all PDF readers and devices

Reviews

There are no reviews yet.

Be the first to review “Yamaha YZ80W Cylinder Head Parts Manual PDF Digital Download”

Your email address will not be published. Required fields are marked *

Shopping Cart
Scroll to Top