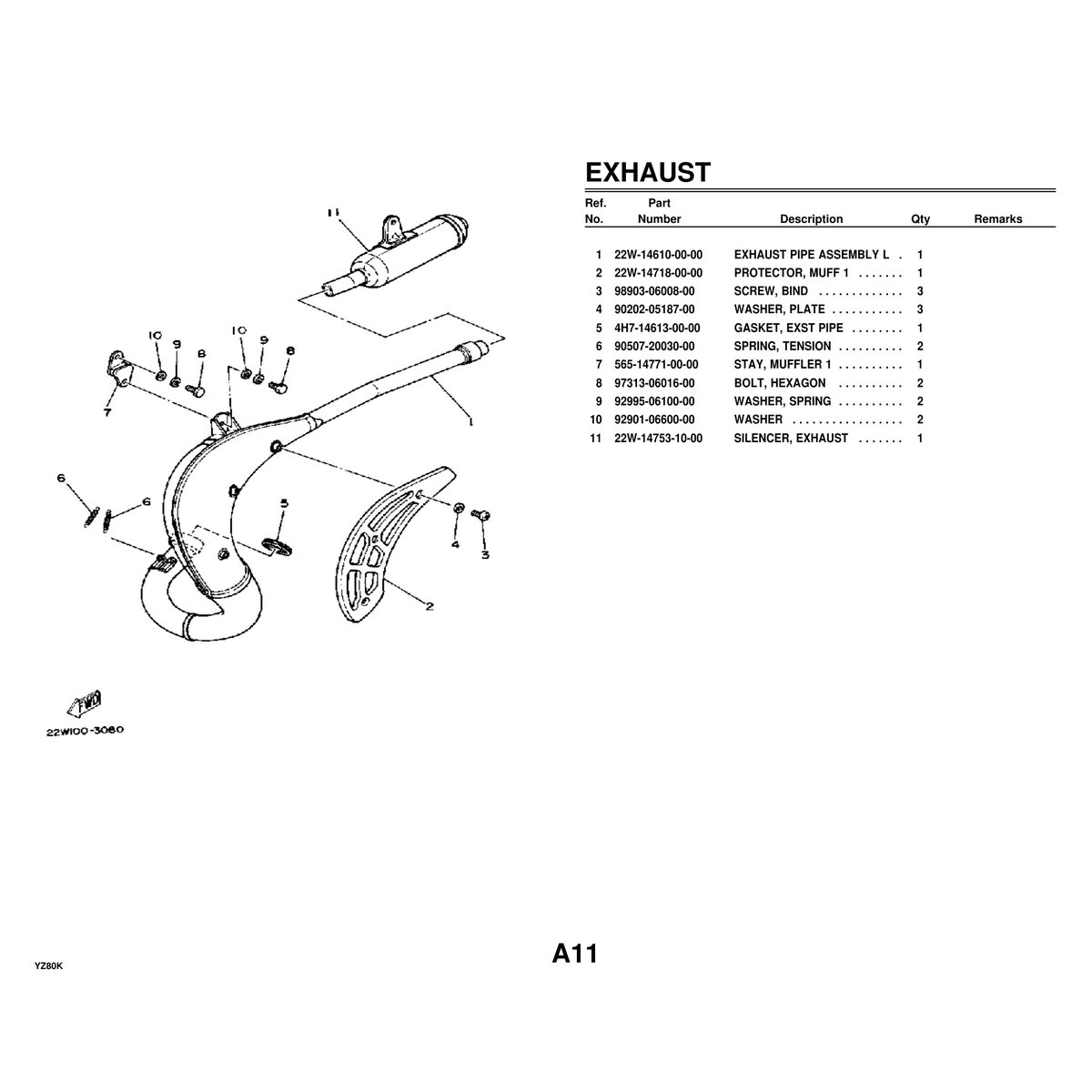
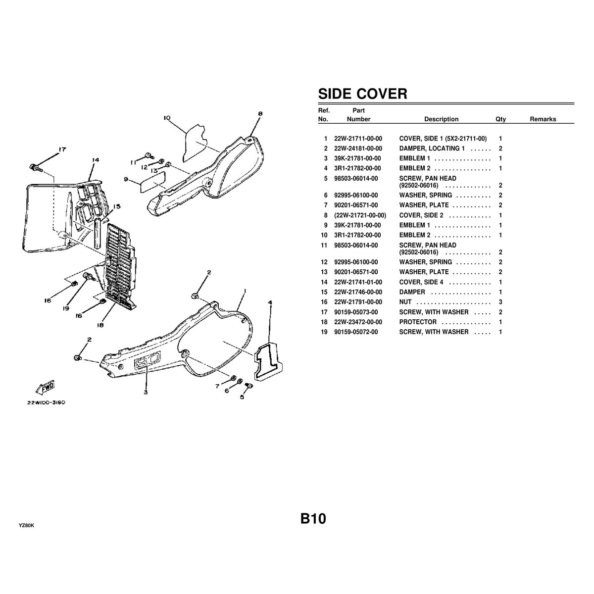
This comprehensive 85-page parts manual provides detailed exploded diagrams and complete parts listings for the Yamaha YZ80K vintage motocross motorcycle.
This official Yamaha parts manual covers every component of the YZ80K, from engine internals and transmission parts to suspension components, wheels, brakes, and bodywork. Essential for identifying correct part numbers, understanding assembly relationships, and sourcing replacement components. This manual is invaluable for anyone maintaining, restoring, or rebuilding this classic two-stroke motocross machine.
Perfect for vintage motorcycle mechanics, YZ80K owners and restorers, classic motocross enthusiasts, motorcycle collectors, and professional repair shops specializing in vintage Japanese motorcycles. Whether you’re performing routine maintenance, conducting a complete restoration, or simply need to identify a specific component, this parts manual provides the detailed technical reference you need.
Delivered as a high-quality digital PDF for instant download after purchase. View on any device including computers, tablets, and smartphones. Print specific pages or sections as needed for shop reference.
What You Will Receive:
- 1 PDF file – Yamaha YZ80K Parts Manual
- 85 pages of detailed parts diagrams and listings
- Instant digital download after purchase
- High-resolution scanned document
Features:
- Complete exploded view diagrams of all major assemblies
- Official Yamaha part numbers for every component
- Engine, transmission, and clutch parts breakdowns
- Suspension, brake, and wheel component listings
- Frame, bodywork, and control parts diagrams
- Cross-referenced part numbers and assembly notes
Important Notes:
- Digital download only – no physical item will be shipped
- Vintage document may contain minor scan imperfections
- Compatible with all PDF readers and devices









Reviews
There are no reviews yet.