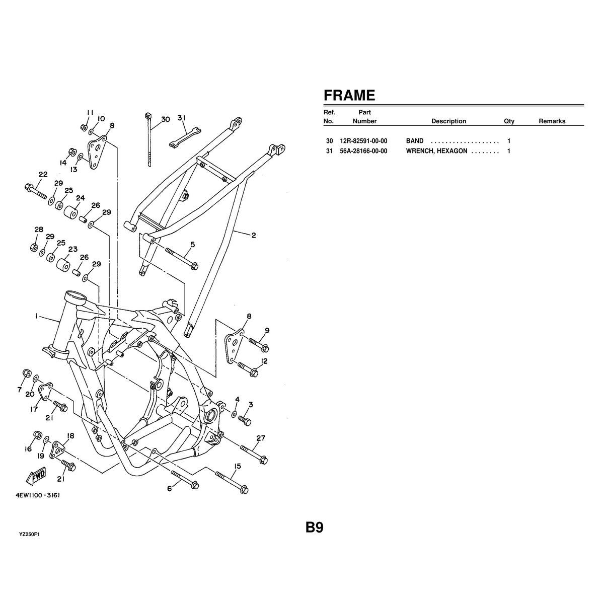
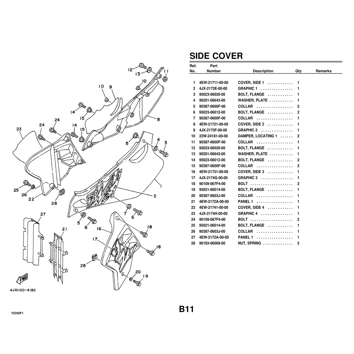
This comprehensive 45-page cylinder head parts manual covers the Yamaha YZ250F1 motocross motorcycle, providing detailed exploded diagrams, part numbers, and assembly sequences for the complete cylinder head assembly.
This essential technical document contains detailed illustrations and part identification for every component in the YZ250F1 cylinder head system, including valves, springs, camshafts, rocker arms, and gaskets. The manual is invaluable for ordering correct replacement parts, understanding assembly relationships, and ensuring proper reassembly during engine rebuilds. Each diagram shows precise part positioning with corresponding part numbers for accurate identification.
Perfect for Yamaha YZ250F1 owners performing their own maintenance, professional motorcycle mechanics working on vintage motocross bikes, restoration specialists rebuilding classic dirt bikes, parts dealers needing accurate part numbers, and motorcycle enthusiasts maintaining their collection. This manual is essential for anyone working on the cylinder head assembly of this specific Yamaha model.
Delivered as a high-quality digital PDF file for instant download upon purchase. View on any device including computers, tablets, and smartphones. Print specific pages as needed for workshop reference.
What You Will Receive:
- 1 PDF file – Yamaha YZ250F1 Cylinder Head Parts Manual
- 45 pages of detailed parts diagrams and part numbers
- Instant digital download after purchase
- High-resolution scanned document
Features:
- Complete cylinder head exploded view diagrams
- Official Yamaha part numbers for all components
- Valve train component identification and layout
- Camshaft and rocker arm assembly details
- Gasket and seal part numbers and positioning
- Professional quality scanned pages for clear viewing
Important Notes:
- Digital download only – no physical item will be shipped
- Vintage documents may contain minor scan imperfections
- Compatible with all PDF viewing applications









Reviews
There are no reviews yet.