This comprehensive 85-page official parts manual covers the Yamaha YZ250A and YZ360A motocross motorcycles from the mid-1970s era. This essential reference document provides complete parts identification, exploded diagrams, and part numbers for every component on these legendary two-stroke dirt bikes.
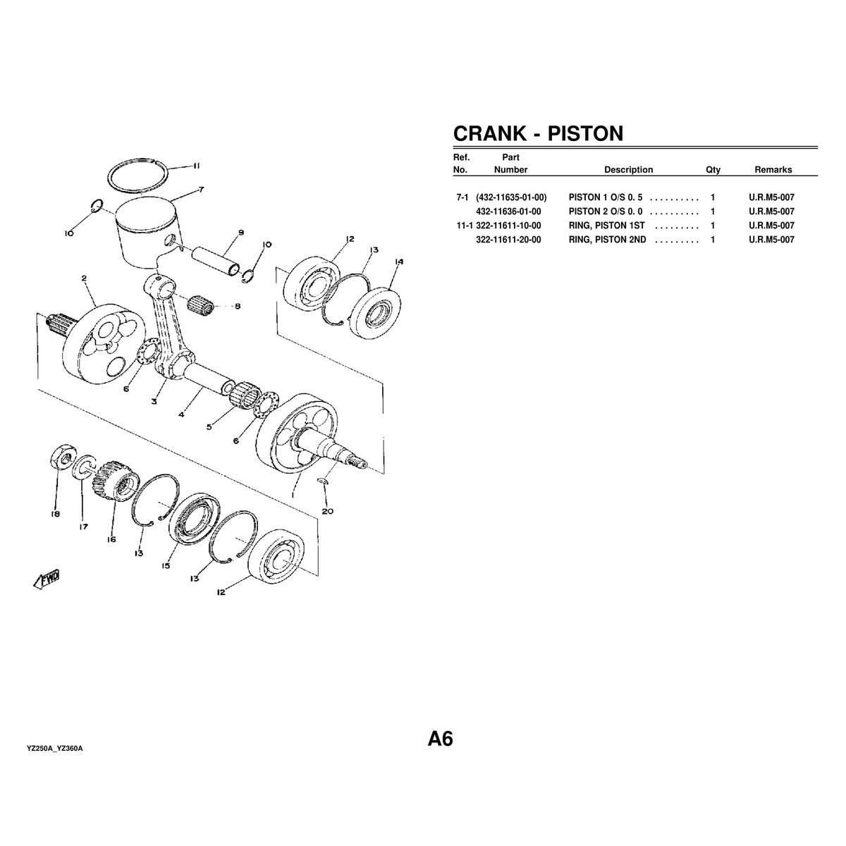
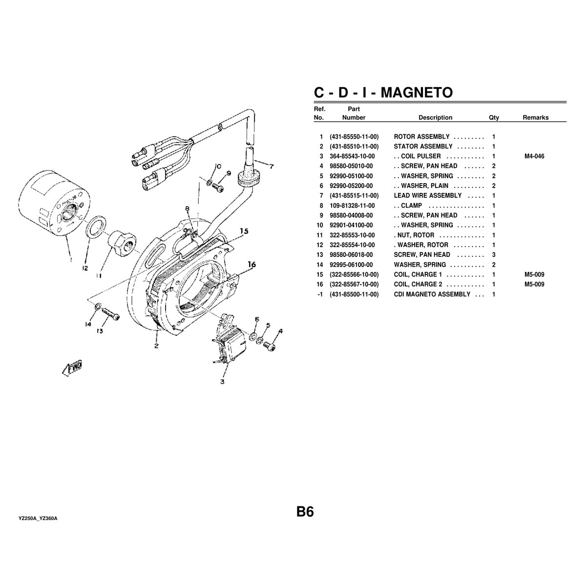
The manual contains detailed exploded view diagrams of the engine, transmission, suspension, brakes, electrical system, and all other major assemblies. Each diagram is accompanied by comprehensive parts lists with official Yamaha part numbers, making it invaluable for ordering correct replacement parts, understanding assembly sequences, and identifying hard-to-find vintage components. This is the same manual used by Yamaha dealers and professional mechanics during the original production period.
This parts manual is essential for vintage motocross enthusiasts, classic dirt bike restorers, motorcycle mechanics specializing in vintage Japanese bikes, collectors of 1970s Yamaha motorcycles, and owners of YZ250A or YZ360A machines. Professional restoration shops, vintage motocross racers, and parts dealers will find this manual indispensable for accurate parts identification and authentic restorations of these iconic Yamaha two-stroke racing machines.
You’ll receive this official Yamaha parts manual as a high-quality digital PDF file for instant download. View and search the manual on your computer, tablet, or smartphone, and print specific pages or sections as needed for your workshop or garage reference.
What You Will Receive:
- 1 PDF file – Official Yamaha YZ250A YZ360A Parts Manual
- Complete parts manual with exploded diagrams
- Approximately 85 pages of technical documentation
- Instant digital download after purchase
Features:
- Official Yamaha factory parts manual for YZ250A and YZ360A models
- Complete exploded view diagrams for all major assemblies
- Comprehensive parts lists with official Yamaha part numbers
- Engine, transmission, suspension, and electrical system coverage
- Essential reference for restoration and maintenance projects
- High-quality scanned pages optimized for digital viewing and printing
Important Notes:
- This is a digital download only – no physical item will be shipped
- Vintage documents may contain minor scan imperfections or age-related wear
- Compatible with all PDF-capable devices and operating systems









Reviews
There are no reviews yet.