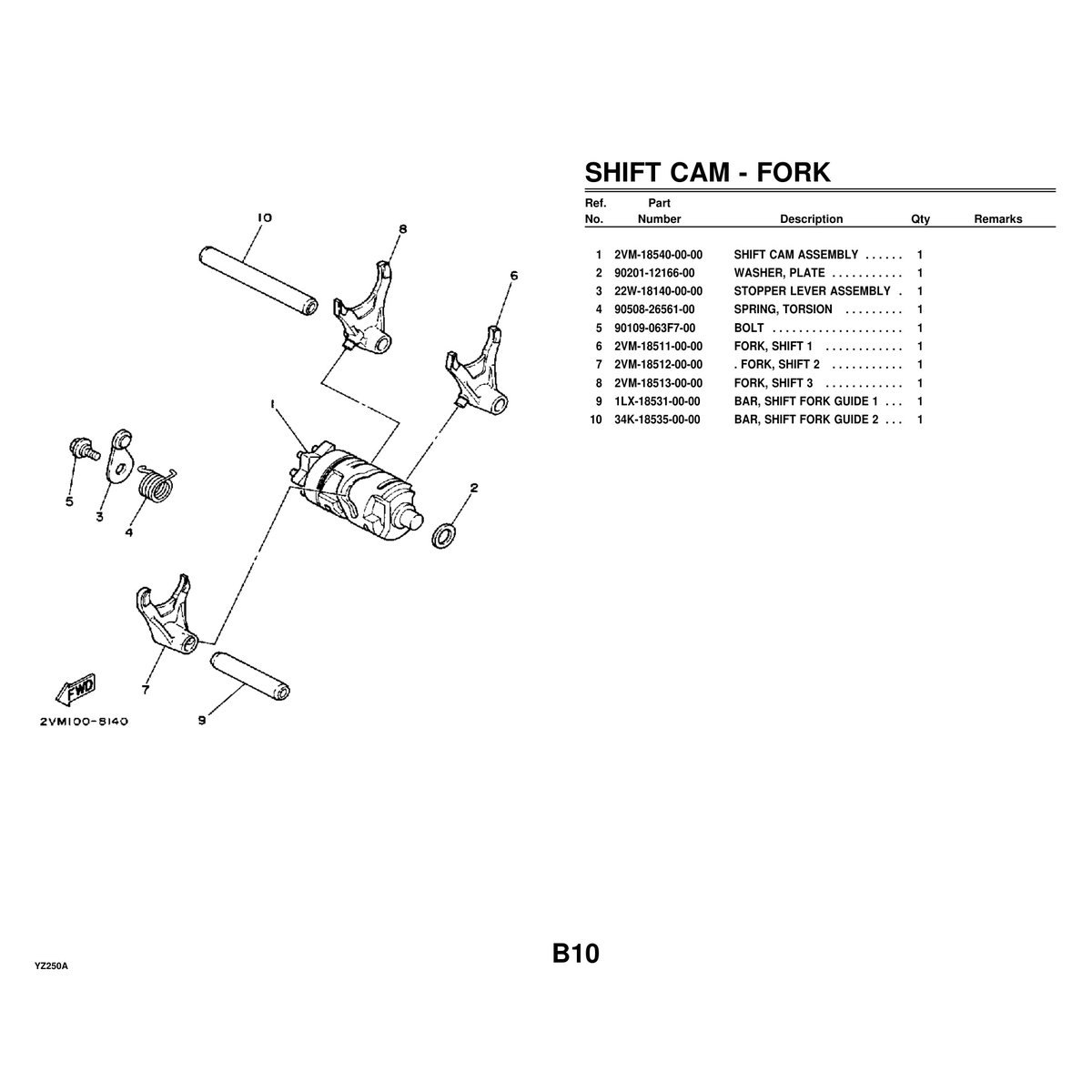
This comprehensive 25-page cylinder head parts manual for the Yamaha YZ250A motorcycle provides detailed exploded diagrams, part numbers, and specifications for every component in the cylinder head assembly. This official factory manual is an essential reference for anyone working on the top end of this classic Yamaha motocross bike.
The manual covers complete cylinder head disassembly and reassembly procedures, valve train components, gasket identification, torque specifications, and detailed parts breakdowns with official Yamaha part numbers. This document is invaluable for ensuring you order the correct replacement parts and understand the precise assembly sequence for optimal engine performance. Whether you’re performing routine valve adjustments, rebuilding after engine wear, or restoring this vintage motocross machine to original specifications, this manual provides the factory-accurate information you need.
This manual is perfect for Yamaha YZ250A owners performing their own maintenance, professional motorcycle mechanics servicing vintage motocross bikes, restoration specialists working on classic Yamaha motorcycles, parts suppliers needing accurate part number references, and collectors documenting their vintage Yamaha collection. Motorcycle repair shops specializing in vintage Japanese bikes will find this an indispensable addition to their technical library.
Delivered as a high-quality digital PDF file for instant download after purchase. View and print on any computer, tablet, or smartphone. Save money compared to expensive printed manuals while getting immediate access to the information you need for your repair project.
What You Will Receive
- 1 PDF file – Yamaha YZ250A Cylinder Head Parts Manual
- Approximately 25 pages of detailed technical content
- Instant digital download – no waiting for shipping
- High-resolution scans optimized for printing
Features
- Official Yamaha factory parts manual with authentic part numbers
- Detailed exploded view diagrams of cylinder head assembly
- Complete parts list with descriptions and quantities
- Valve train component specifications and arrangements
- Gasket and seal identification with proper part numbers
- Assembly reference numbers for precise component location
Important Notes
- This is a digital download only – no physical item will be shipped
- Vintage technical documents may contain minor scan imperfections
- Compatible with all PDF viewers on any device









Reviews
There are no reviews yet.