Yamaha YZ125K YZ125L Parts Manual PDF Digital Download

$9.99

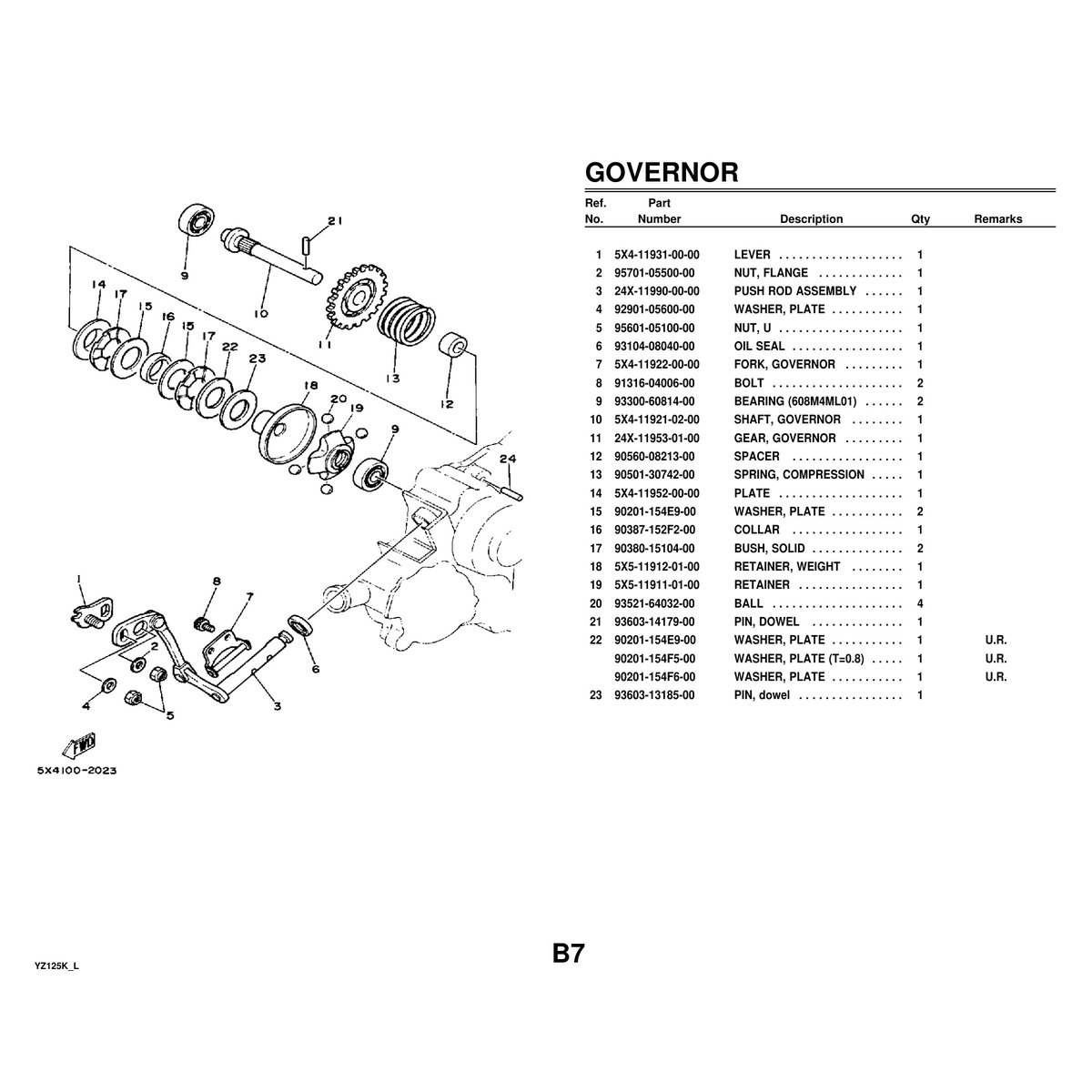
Official Yamaha YZ125K and YZ125L parts manual with detailed exploded diagrams and part numbers. Approximately 80-120 pages covering all components. Instant PDF download.

Category:

This comprehensive parts manual covers the Yamaha YZ125K and YZ125L motocross motorcycles, providing detailed exploded diagrams and complete parts identification for these iconic 2-stroke dirt bikes.

This official parts manual is an invaluable resource containing detailed exploded view diagrams, part numbers, and assembly illustrations for every component of your Yamaha YZ125K or YZ125L. Whether you’re performing routine maintenance, major repairs, or a complete restoration, this manual provides the precise part identification and assembly sequences you need. The manual covers engine components, suspension systems, frame assemblies, electrical components, brake systems, and all other mechanical parts with clear illustrations and accurate part numbers for ordering replacements.

This manual is essential for Yamaha YZ125 owners, motorcycle mechanics, vintage motocross enthusiasts, restoration specialists, and repair shops working on these classic 125cc 2-stroke machines. Collectors and restorers will find the detailed parts diagrams invaluable for identifying correct components and understanding proper assembly procedures. Professional mechanics and DIY enthusiasts alike will appreciate having access to the same information used by Yamaha dealerships for parts identification and ordering.

You’ll receive this parts manual as a high-quality digital PDF file for instant download. View the manual on your computer, tablet, or smartphone, and print specific pages as needed for your workshop. The digital format ensures you’ll always have access to this critical reference material without worrying about damaged or lost paper manuals.

What You Will Receive:

  • 1 PDF file – Yamaha YZ125K/L Parts Manual
  • Estimated 80-120 pages of detailed parts diagrams
  • Instant digital download after purchase
  • Printable format for workshop use

Features:

  • Complete exploded view diagrams for all major assemblies
  • Accurate part numbers for ordering replacement components
  • Engine, transmission, and clutch component breakdowns
  • Suspension, brake, and wheel assembly diagrams
  • Frame, bodywork, and electrical system parts identification
  • Professional quality scanned pages with clear illustrations

Important Notes:

  • This is a digital download only – no physical item will be shipped
  • Vintage documents may contain minor scan imperfections due to age
  • Compatible with all devices that can view PDF files

Reviews

There are no reviews yet.

Be the first to review “Yamaha YZ125K YZ125L Parts Manual PDF Digital Download”

Your email address will not be published. Required fields are marked *

Shopping Cart
Scroll to Top