Yamaha YT175J Parts Manual – Complete Parts Catalog PDF

$9.99

Official Yamaha YT175J parts manual with 85 pages of detailed parts diagrams and part numbers. Essential reference for repairs and restoration. Instant PDF download.

Category:

This comprehensive 85-page Yamaha YT175J parts manual provides detailed parts diagrams, part numbers, and assembly illustrations for the Yamaha YT175J motorcycle. This official factory parts catalog is an essential reference document for anyone working on this classic Yamaha model.

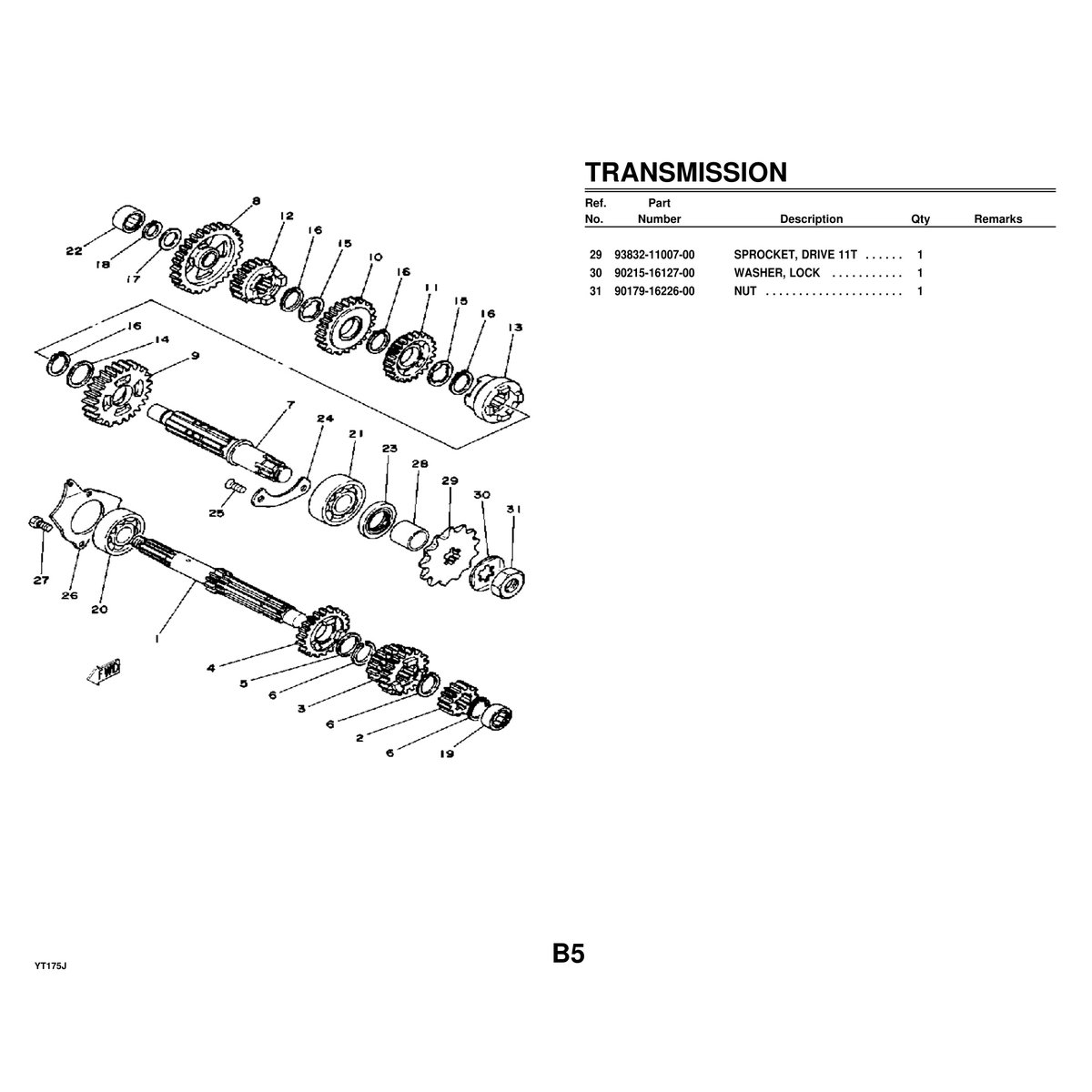
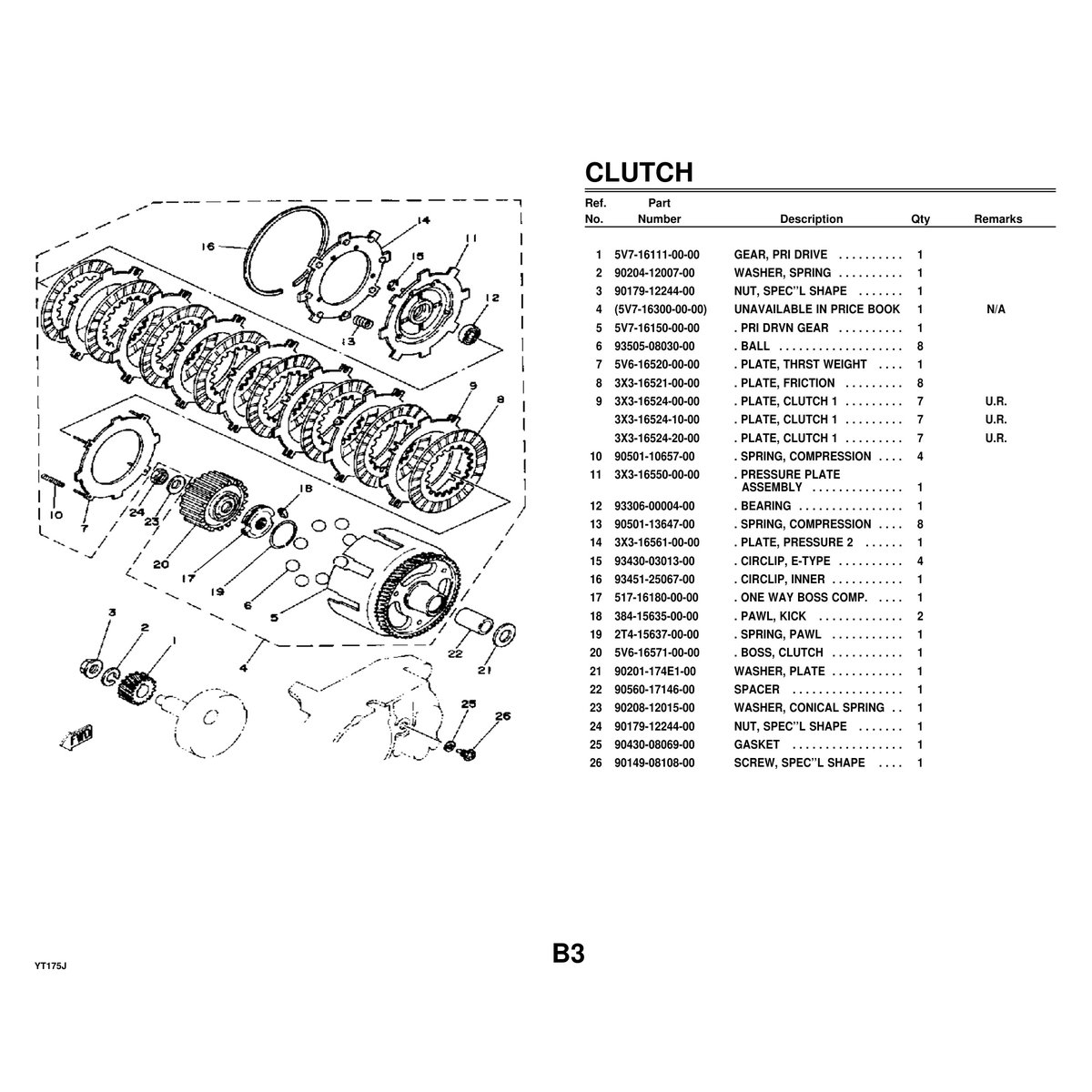
The manual contains exploded view diagrams of every major component and assembly, complete with manufacturer part numbers for ordering replacement parts. This document covers the engine, transmission, electrical system, frame components, suspension, brakes, and all other serviceable parts. It’s invaluable for identifying correct parts, understanding assembly relationships, and ensuring you order the exact components needed for repairs or restoration.

This parts manual is perfect for motorcycle mechanics, restoration specialists, Yamaha YT175J owners, vintage motorcycle collectors, and repair shops servicing classic Yamaha motorcycles. Whether you’re performing routine maintenance, complete restoration, or need to identify specific parts for repair, this manual provides the detailed parts information you need to keep your YT175J running properly.

You’ll receive this manual as a high-quality digital PDF file for instant download. View it on your computer, tablet, or smartphone, print specific pages as needed, and keep it handy in your workshop. The searchable PDF format makes finding specific parts quick and easy.

What You Will Receive:

  • 1 PDF file: Yamaha YT175J Parts Manual
  • 85 pages of detailed parts diagrams and part numbers
  • Instant digital download after purchase
  • Printable PDF format for workshop use

Features:

  • Complete exploded view diagrams for all major assemblies
  • Factory part numbers for accurate parts ordering
  • Engine, transmission, and electrical system parts coverage
  • Frame, suspension, and brake component illustrations
  • High-quality scanned diagrams with clear part identification
  • Searchable PDF format for quick reference

Important Notes:

  • This is a digital download only – no physical item will be shipped
  • Vintage documents may contain minor scan imperfections that do not affect usability
  • Compatible with all PDF viewing devices and software

Reviews

There are no reviews yet.

Be the first to review “Yamaha YT175J Parts Manual – Complete Parts Catalog PDF”

Your email address will not be published. Required fields are marked *

Shopping Cart
Scroll to Top