This comprehensive 85-page parts manual provides complete parts identification and ordering information for the Yamaha YSR50U motorcycle. This official factory parts catalog is an essential reference document for anyone working on this popular mini sportbike.
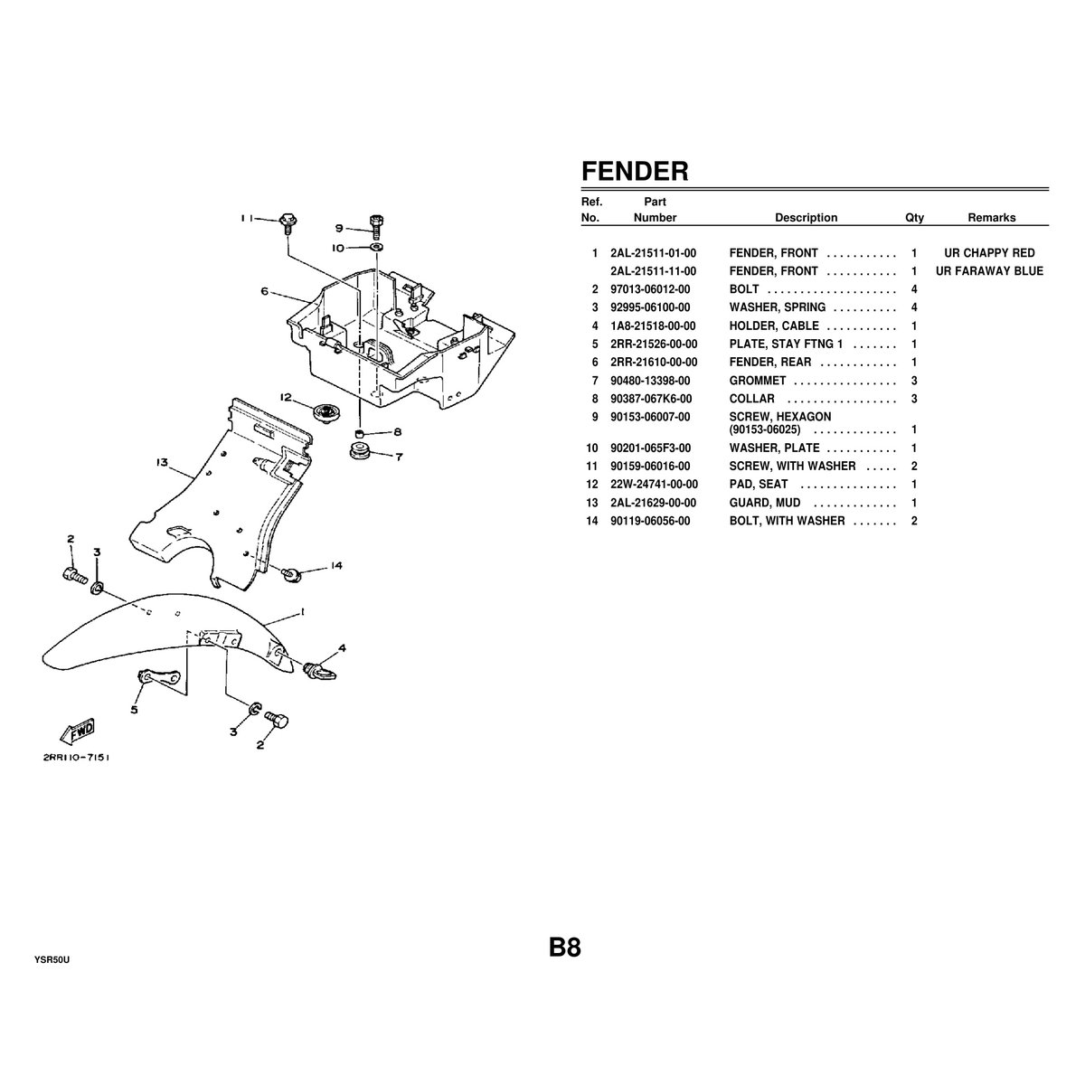
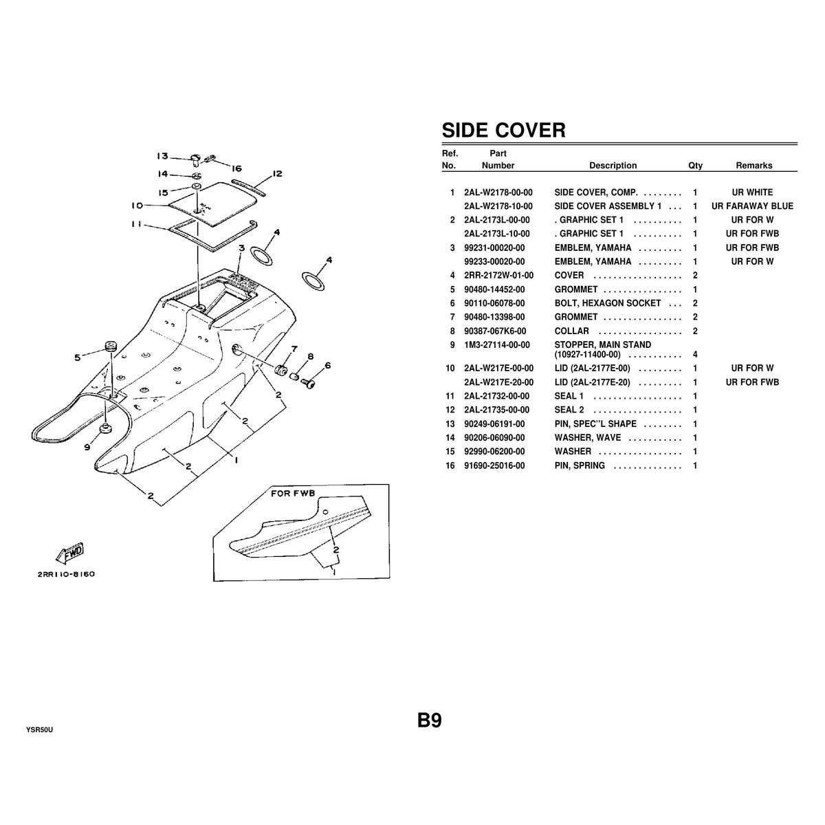
The manual contains detailed exploded diagrams, part numbers, and specifications for every component on the YSR50U. This document is invaluable for identifying correct replacement parts, understanding assembly relationships, and ensuring you order exactly the right components for your motorcycle. Whether you’re performing routine maintenance or a complete restoration, having accurate parts information is crucial for successful repairs.
This parts manual is perfect for motorcycle mechanics, YSR50U owners, vintage motorcycle restorers, parts suppliers, and motorcycle repair shops. Collectors of Yamaha mini bikes will find this an essential addition to their technical library. Anyone who needs to source parts for the YSR50U will benefit from having access to the official factory part numbers and detailed component breakdowns.
You’ll receive this manual as a high-quality digital PDF that downloads instantly after purchase. View it on your computer, tablet, or smartphone, and print specific pages as needed in your workshop. The searchable PDF format makes finding specific parts quick and easy.
- 1 complete parts manual file
- Yamaha YSR50U Parts Manual
- 85 pages of detailed parts diagrams
- Instant digital PDF download
Features:
- Complete exploded view diagrams for all motorcycle systems
- Official Yamaha part numbers for accurate ordering
- Engine, transmission, and electrical component breakdowns
- Frame, suspension, and brake system parts identification
- Carburetor and fuel system detailed parts lists
- High-resolution scans for clear diagram visibility
Important Notes:
- This is a digital download only – no physical item will be shipped
- Vintage technical documents may contain minor scan imperfections
- Compatible with all PDF readers and devices









Reviews
There are no reviews yet.