Yamaha YSR50D Parts Catalog Manual PDF – Instant Download

$9.99

Complete Yamaha YSR50D parts catalog with exploded diagrams and part numbers. Professional PDF manual with 80-120 pages covering all motorcycle components for accurate parts ordering and restoration reference.

Category:

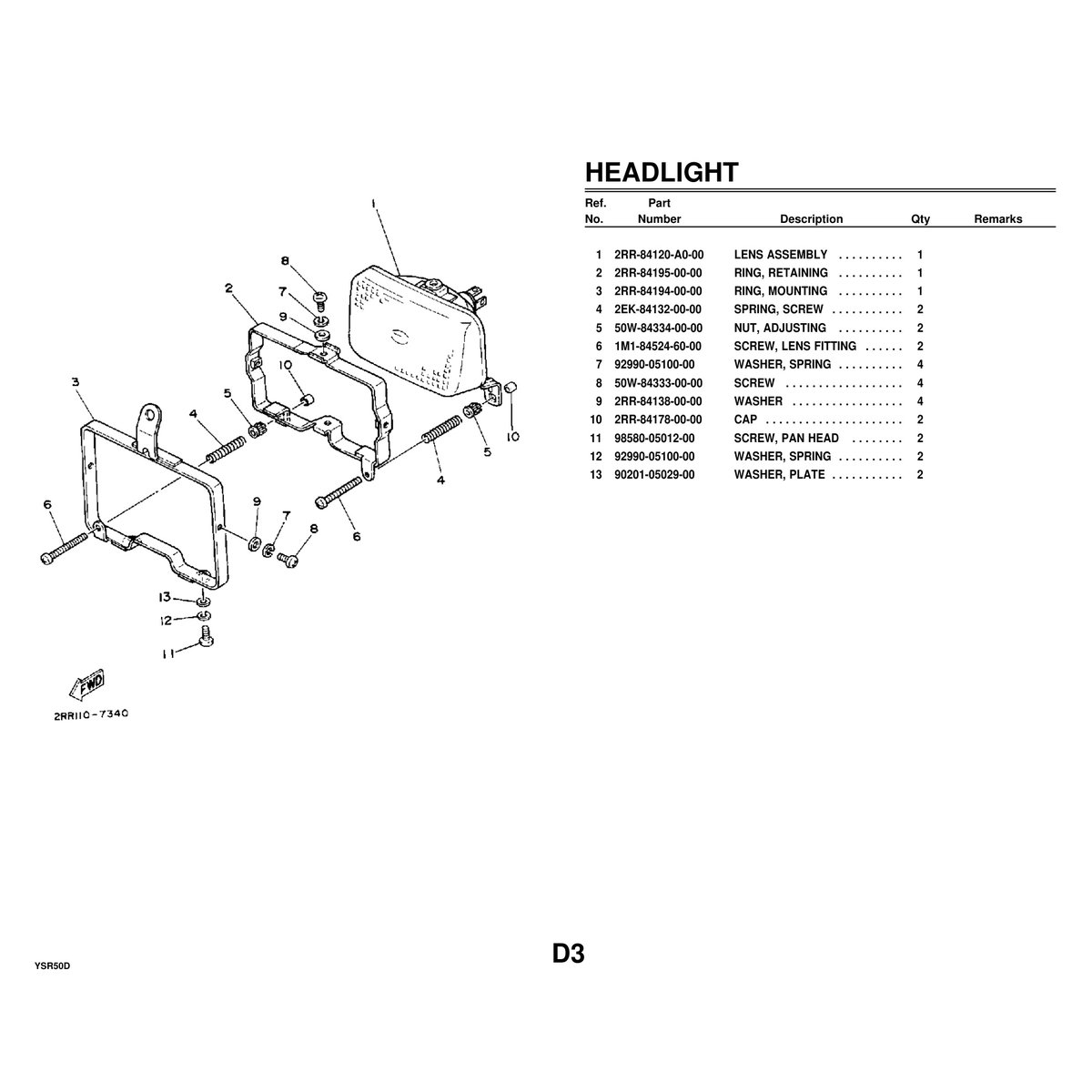
This comprehensive parts catalog for the Yamaha YSR50D motorcycle contains detailed exploded diagrams, part numbers, and complete component listings for every system on this popular mini sportbike.

The parts catalog provides essential information for ordering correct replacement parts, identifying component relationships, and understanding the complete assembly structure of the YSR50D. This manual is invaluable for ensuring you get the exact parts needed for repairs, restoration projects, or routine maintenance. Every bolt, gasket, electrical component, engine part, and body panel is catalogued with precise part numbers and clear visual references.

This manual is essential for Yamaha YSR50D owners performing their own maintenance, motorcycle mechanics working on customer bikes, restoration enthusiasts bringing vintage YSR50Ds back to original condition, parts dealers needing accurate part numbers, and collectors documenting authentic components. Small bike specialists and vintage motorcycle repair shops will find this an indispensable reference for this classic mini sportbike.

You receive this parts catalog as a high-quality digital PDF file for instant download. View and reference the manual on your computer, tablet, smartphone, or print specific pages as needed in your garage or workshop.

What You Will Receive:

  • 1 digital file in ZIP format
  • Yamaha YSR50D Parts Catalog manual
  • Estimated 80-120 pages of detailed parts diagrams
  • Instant download after purchase

Features:

  • Complete exploded view diagrams for all motorcycle systems
  • Accurate Yamaha part numbers for ordering replacement components
  • Engine, transmission, electrical, and chassis parts coverage
  • Clear illustrations showing part relationships and assembly order
  • Body panels, controls, and accessories fully catalogued
  • Professional quality scanned pages for easy reading

Important Notes:

  • This is a digital download only – no physical item will be shipped
  • Vintage documents may contain minor scan imperfections that do not affect usability
  • Compatible with all devices that can view PDF files

Reviews

There are no reviews yet.

Be the first to review “Yamaha YSR50D Parts Catalog Manual PDF – Instant Download”

Your email address will not be published. Required fields are marked *

Shopping Cart
Scroll to Top