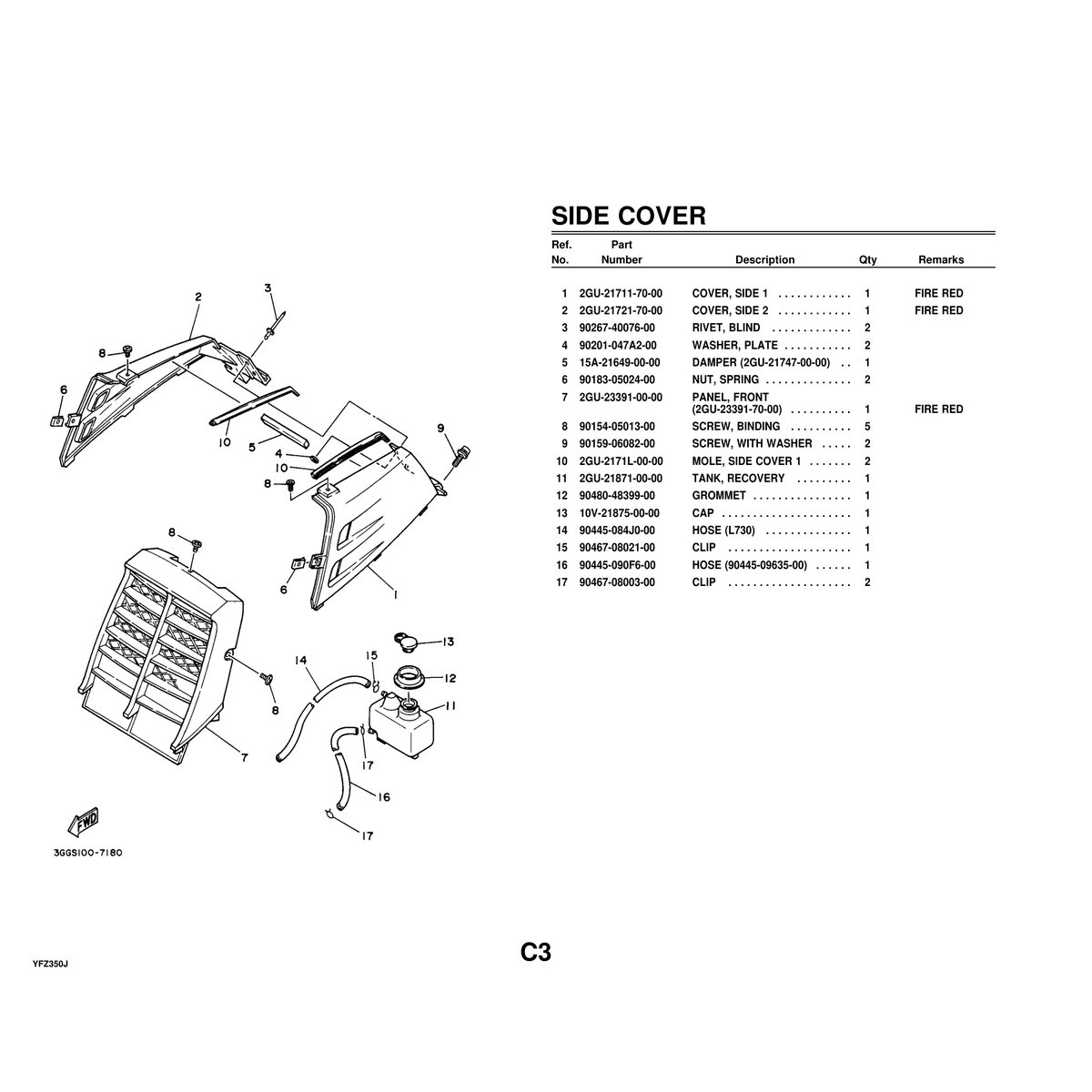
This comprehensive 120+ page parts manual provides complete parts identification and breakdown diagrams for the Yamaha YFZ350J ATV. This essential reference document contains detailed exploded view diagrams, part numbers, and specifications for every component of your YFZ350J.
The manual covers all major systems including engine components, transmission parts, suspension assemblies, brake systems, electrical components, body panels, and hardware. This invaluable resource is essential for ordering the correct replacement parts, understanding assembly relationships, and performing accurate repairs. Whether you’re dealing with routine maintenance or complete restoration, this parts manual ensures you get the right parts the first time.
This manual is perfect for ATV mechanics, restoration specialists, Yamaha dealers, parts departments, YFZ350J owners, and off-road enthusiasts. Professional repair shops rely on these detailed parts breakdowns for accurate diagnosis and parts ordering, while collectors and restorers use them to source authentic OEM components. DIY mechanics will find the exploded diagrams invaluable for understanding how components fit together during disassembly and reassembly.
Delivered as a high-quality digital PDF for instant download. View on your computer, tablet, or smartphone – perfect for the garage, parts counter, or field use. Print specific pages as needed for easy reference during repairs.
What You Will Receive:
- 1 PDF file – Yamaha YFZ350J Parts Manual
- 120+ pages of detailed parts diagrams and part numbers
- High-resolution scanned images
- Instant digital download after purchase
Features:
- Complete exploded view diagrams for all major assemblies
- Accurate OEM part numbers for precise ordering
- Engine, transmission, and drivetrain component breakdowns
- Suspension, brake, and steering system parts identification
- Electrical system and wiring harness component diagrams
- Body panels, graphics, and hardware specifications
Important Notes:
- This is a digital download only – no physical item will be shipped
- Vintage documents may contain minor scan imperfections that do not affect readability
- Compatible with all PDF readers and devices











Reviews
There are no reviews yet.