This comprehensive 180+ page official Yamaha YFZ350F Parts Manual provides complete part numbers, exploded diagrams, and assembly illustrations for every component of your Yamaha YFZ350F Banshee ATV.
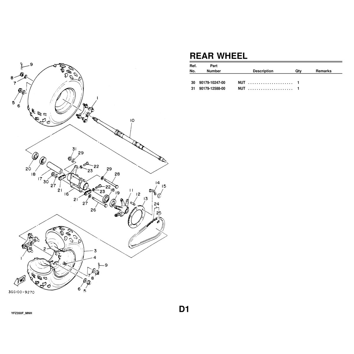
This genuine factory parts manual is an essential reference for ordering correct replacement parts, identifying component relationships, and understanding the complete assembly structure of the YFZ350F. The manual contains detailed exploded view diagrams showing every bolt, gasket, bearing, and component with corresponding part numbers. This is invaluable for mechanics, parts departments, and owners who need to ensure they’re ordering the exact right parts for repairs and maintenance.
Perfect for ATV mechanics and repair shops servicing Yamaha sport quads, YFZ350F owners doing their own maintenance and repairs, parts department staff who need accurate part number references, restoration enthusiasts rebuilding vintage Banshees, and collectors maintaining original specifications. This manual is also essential for anyone performing engine rebuilds, transmission work, or complete frame-up restorations.
Delivered as a high-quality digital PDF file for instant download. View on any computer, tablet, or smartphone. Print specific pages or sections as needed for your workshop. No waiting for shipping – get the parts information you need immediately.
What You Will Receive:
- 1 Complete PDF file
- Official Yamaha YFZ350F Parts Manual
- 180+ detailed pages
- Instant digital download
Features:
- Complete exploded view diagrams for engine, transmission, chassis, and body
- Official Yamaha part numbers for every component
- Assembly and disassembly sequence illustrations
- Detailed breakdowns of carburetor, brake, and suspension components
- Frame, swing arm, and steering component diagrams
- Electrical system and wiring harness part numbers
Important Notes:
- This is a digital download only – no physical item will be shipped
- Vintage documents may contain minor scan imperfections
- Compatible with all PDF readers and devices











Reviews
There are no reviews yet.