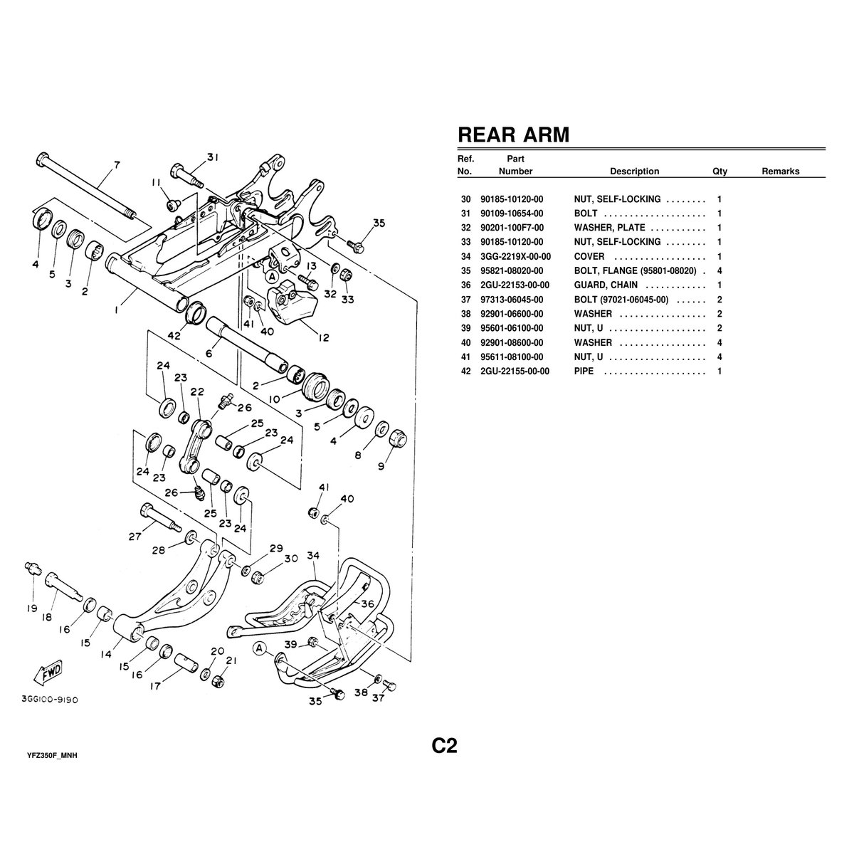
This comprehensive parts catalog provides detailed exploded diagrams and part numbers for the Yamaha YFZ350F Banshee ATV. This essential reference document contains hundreds of precisely illustrated parts breakdowns covering every component of this legendary sport quad.
The catalog includes complete parts listings for the engine, transmission, suspension, electrical system, brake components, body panels, and all other serviceable parts. Each diagram shows proper part orientation and assembly sequence, making it invaluable for identifying correct replacement parts, understanding component relationships, and ensuring proper reassembly. Part numbers are clearly listed for easy ordering from Yamaha dealers or aftermarket suppliers.
This parts catalog is essential for Yamaha YFZ350F owners performing their own maintenance and repairs, ATV mechanics working on Banshee quads, restoration enthusiasts rebuilding vintage sport ATVs, parts dealers needing accurate part numbers, and repair shops servicing these high-performance machines. Off-road racing teams and performance shops will find it indispensable for sourcing OEM components and understanding the mechanical layout of this iconic ATV.
Delivered as a high-quality digital PDF file for instant download after purchase. View on any computer, tablet, or smartphone. Print specific pages as needed for shop reference or keep the entire manual on your mobile device for quick access in the garage or field.
What You Will Receive:
- 1 PDF file – Yamaha YFZ350F Parts Catalog
- Estimated 150-200+ pages of detailed parts diagrams
- Instant digital download after purchase
- Printable format for shop use
Features:
- Complete exploded view diagrams for all major assemblies
- Official Yamaha part numbers for every component
- Engine, transmission, and drivetrain parts breakdowns
- Suspension, brake, and steering component diagrams
- Electrical system and wiring harness parts identification
- Body panels, graphics, and accessory parts listings
Important Notes:
- This is a digital download only – no physical item will be shipped
- Vintage documents may contain minor scan imperfections typical of original technical manuals
- Compatible with all PDF readers and mobile devices











Reviews
There are no reviews yet.