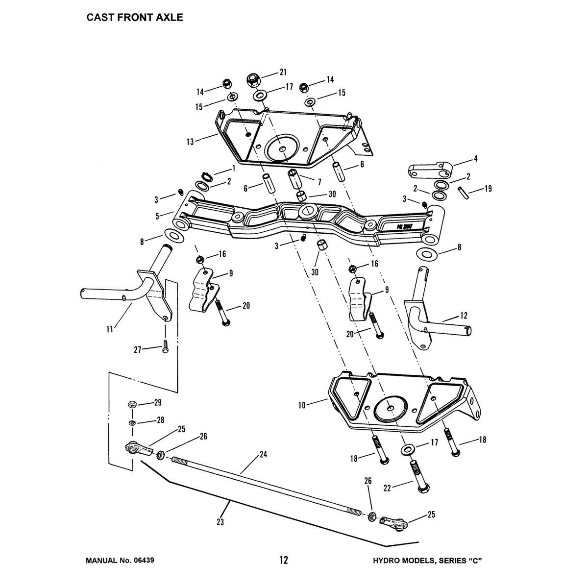
This comprehensive parts manual provides detailed parts diagrams and component listings for the Case LT145H38CBV equipment. This essential technical document is your complete reference for identifying, ordering, and replacing parts on this Case model.
The manual covers exploded view diagrams, part numbers, component specifications, and assembly details for all major systems and components. This invaluable resource ensures you can properly identify the exact parts needed for repairs, maintenance, or restoration work. Whether you’re dealing with engine components, hydraulic systems, electrical parts, or mechanical assemblies, this manual provides the technical accuracy required for professional-grade work.
This manual is essential for equipment mechanics, repair technicians, parts department personnel, Case equipment owners, restoration specialists, and maintenance professionals. Heavy equipment repair shops, agricultural service centers, construction equipment dealers, and independent mechanics will find this an indispensable reference for accurate parts identification and ordering.
You’ll receive this manual as a high-quality digital PDF file for instant download. View and reference the manual on your computer, tablet, or smartphone, or print specific pages as needed for shop floor reference. The digital format ensures you’ll never lose this valuable resource and can access it anywhere.
What You Will Receive:
- 1 complete PDF file
- Case LT145H38CBV Parts Manual
- Estimated 75-150 pages of technical content
- Instant digital download upon purchase
Features:
- Detailed exploded view diagrams for all major assemblies
- Complete part numbers and specifications
- Component identification and location references
- Assembly and disassembly sequences
- Cross-referenced parts listings by system
- Professional technical illustrations and diagrams
Important Notes:
- This is a digital download only – no physical item will be shipped
- Vintage technical documents may contain minor scan imperfections
- Compatible with all PDF-capable devices and software









Reviews
There are no reviews yet.