This comprehensive 400+ page service manual provides complete technical documentation for the Case 780C backhoe loader, covering all major systems, components, and repair procedures needed for professional maintenance and troubleshooting.
This essential technical resource contains detailed step-by-step repair procedures, hydraulic system diagnostics, engine specifications, electrical schematics, torque values, and troubleshooting guides specifically for the Case 780C model. Professional mechanics and equipment owners rely on this official documentation for accurate repair information, proper maintenance schedules, and technical specifications that ensure reliable equipment operation and longevity.
This manual is invaluable for heavy equipment mechanics working in construction and excavation, Case 780C owners performing their own maintenance, equipment repair shops servicing backhoe loaders, technical students learning heavy machinery systems, equipment restorers seeking authentic specifications, and fleet managers maintaining multiple Case machines.
Delivered as a high-quality digital PDF file for instant download after purchase. View on any computer, tablet, or smartphone with PDF reading capability. Print specific pages or sections as needed for shop reference.
What You Will Receive:
- 1 comprehensive PDF file
- Case 780C Backhoe Service Manual
- 400+ pages of technical documentation
- Instant digital download after purchase
Features:
- Complete engine repair and maintenance procedures
- Hydraulic system troubleshooting and component specifications
- Electrical wiring diagrams and diagnostic procedures
- Transmission and drivetrain service information
- Torque specifications and fastener requirements
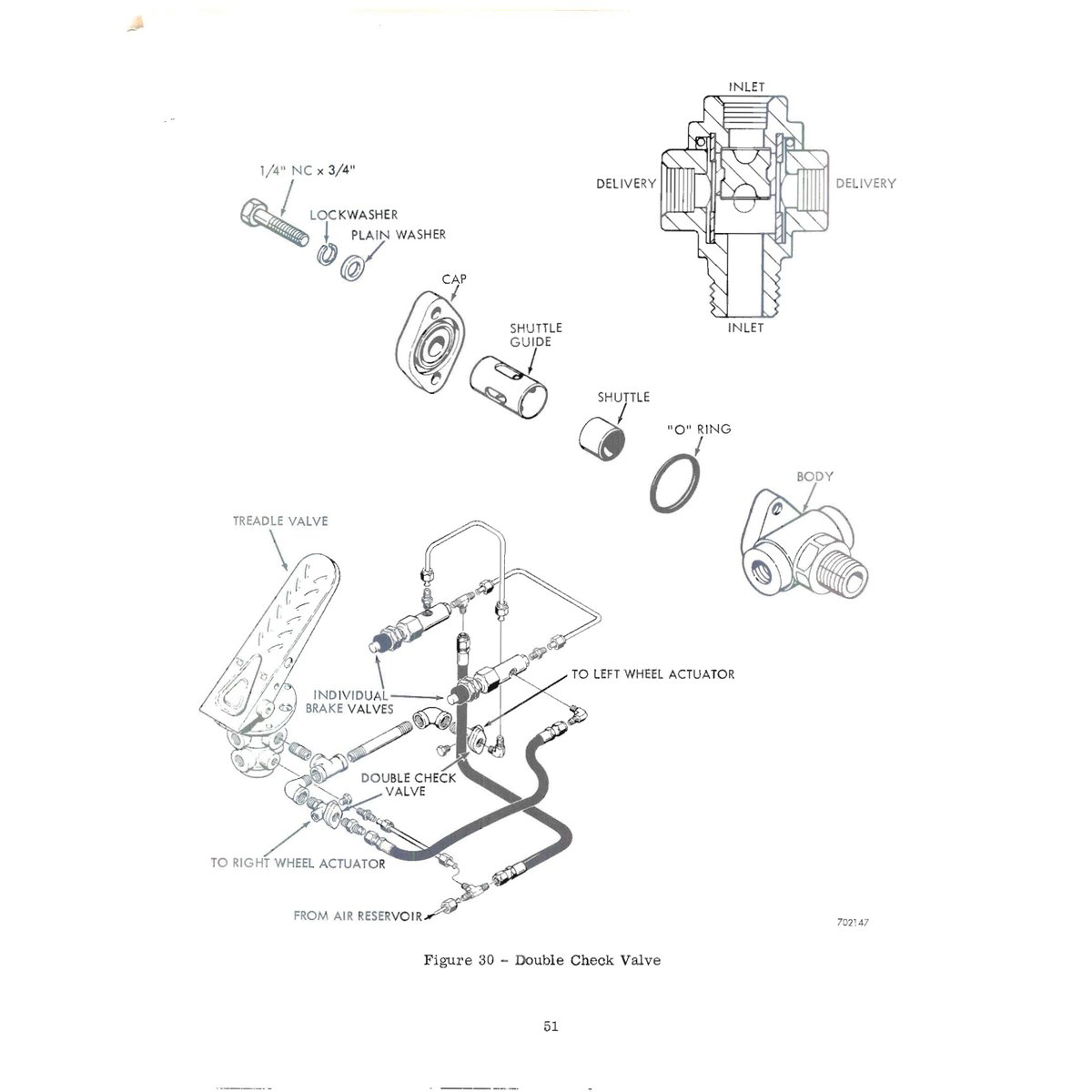
- Detailed exploded view diagrams and parts identification
Important Notes:
- Digital download only – no physical item will be shipped
- Vintage technical documents may contain minor scan imperfections
- Compatible with all PDF readers and devices












Reviews
There are no reviews yet.